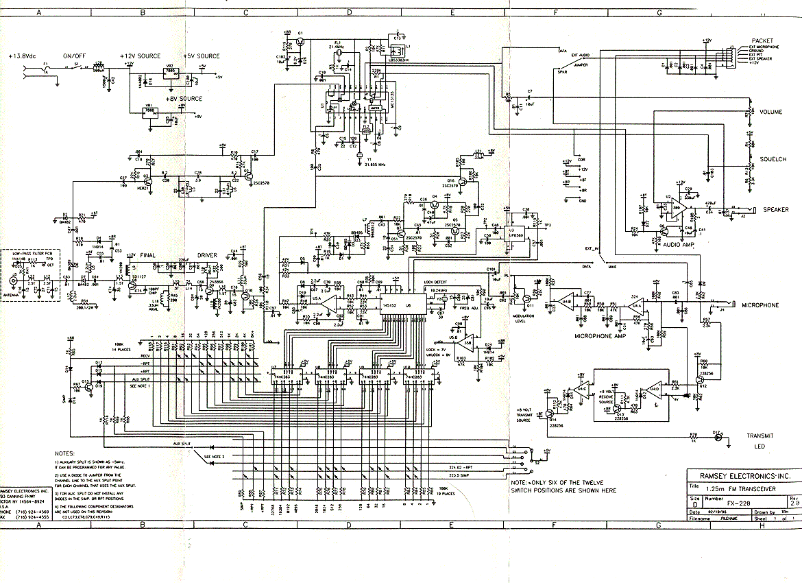
RAMSEY FX-220

Need a schematic of the RAMSEY? Here it is.

 

73 Rich WA8DBW

RETURN HOME